Только до 31 мая!
Скидка 22% на вертикальные водонагреватели из нержавеющей стали объемом 500 литров
Бесплатный звонок по РФ
8 800 100-24-65
Магазины и сервис в городе
Выбрать
К сравнению
Магазины и сервис в городе
Выбрать
inbox@nvsk.net

Промышленный электрокотел 900 кВт

3 030 300

Промышленный электрокотел 900 кВт применяется для отопления больших производственных и общественных зданий. Шкаф автоматики и управления котла имеет встроенный погодозависимый контроллер и обеспечивает многоступенчатую защиту как каждого нагревательного элемента, так и всего котла в целом по всем возможным параметрам.

Основные преимущества электрических котлов 900 кВт:
•тройной контроль температуры теплоносителя
•двойной контроль давления теплоносителя
•тройной контроль наличия теплоносителя
•индивидуальная защита от короткого замыкания каждого ТЭНа
•контроль залипания контакторов
•наличие резервной системы управления
•погодозависимое управление.
•ПИД-регулирование с автоматическим выбором оптимального количество ступеней мощности.
•ротация нагревательных элементов
•возможность управления через шину RS 485
•обесточивание при снятии крышки котла

Гарантия производителя 18 месяцев
Декларация соответствия Таможенного союза
Артикул
КЭН-П-40-900
Номинальное напряжение питания ±10%
400
Преимущества
Нержавеющий блок-ТЭН
Нержавеющий блок-ТЭН
Нержавеющий блок-ТЭНы, установленные в латунную или стальную гайку, не подвержены коррозии, уплотняются фторопластовой прокладкой.
Крепление ТЭНов на общей гайке
Крепление ТЭНов на общей гайке
Блок-ТЭНы состоят из 3-х ТЭНов, установленных в общую латунную или стальную гайку. Блок-ТЭНы, в отличие от ТЭНов на фланце удобны в эксплуатации и техническом обслуживании
Защита внутренних элементов
Защита внутренних элементов
Дополнительная теплоизоляция позволяет лучше сохранять тепло в котле увеличивая его КПД. Защищают внутренние элементы котла от перегревания.
Защита от перегрузок
Защита от перегрузок
Автоматические выключатели предназначены для защиты электрических цепей от перегрузок и токов короткого замыкания, а также для оперативного управления участками электрических цепей.
Защита от перегрева
Защита от перегрева
Электрический котел снабжен термоограничителем, который отключает электронагреватель по достижении предельной температуры воды, что позволяет избежать перегрева теплоносителя.
Цифровой терморегулятор
Цифровой терморегулятор
Высокая цифровая точность регулирования и поддержания температуры теплоносителя в электрокотле.
Манометр
Манометр
Манометр позволяет контролировать давление в котле.
Воздухоотведение
Воздухоотведение
Воздухоотведение возможно в ручном режиме с помощью предохранительных клапанов
Предохранительный клапан
Предохранительный клапан
Предохранительный клапан предназначен для автоматического сброса давления сверх допустимого, путем выпуска рабочей среды в атмосферу.
Защита от слива теплоносителя
Защита от слива теплоносителя
В верхней части корпуса прибора установлен датчик уровня (наличия теплоносителя), он обеспечивает отключение питания электрокотла в случае отсутствия теплоносителя в баке.
Варианты подключения кабеля
Варианты подключения кабеля
Вводные шины ШАУ допускают подключение либо провода, либо шины, либо четырех проводов меньшего сечения. Внутри ШАУ вводные шины закрыты прозрачным экраном-изолятором.Подвод питающего кабеля или кабельного лотка от котла к ШАУ возможен с четырех сторон. Варианты подключения
Ступени мощности
Ступени мощности
Несколько ступеней мощности делают регулировку температуры более плавной. Включение и выключение ступеней осуществляется каскадно – с задержкой нагрузка на контакторы и общую сеть снижается.
Автоматическая система охлаждения
Автоматическая система охлаждения
Автоматическое охлаждение предназначено для создания принудительной вентиляции шкафов автоматики и управления с целью защиты оборудования от перегрева. Вентиляторы дополнительно выполняют фильтрацию воздуха, нагнетаемого внутрь шкафа.
Возможность применения незамерзающей жидкости
Возможность применения незамерзающей жидкости
В электрокотлах "Невский" используются высококачественные ТЭНы из нержавеющей стали, что позволяет использовать в качестве теплоносителя как воду, так и незамерзающие гликолевые жидкости.
Экологичность
Экологичность
Электрокотлы безопаснее, чем твердотопливные или жидкотопливные, не выделяют дыма и угарного газа, не требуют чистки. Электрокотлы можно использовать, как основной или резервный источник тепла.
ПИД-регулирование
ПИД-регулирование
Управление прибором по датчику температуры может осуществляться в режиме пропорционально-интегрально-дифференцирующего регулирования (ПИД-регулирования) с автоматическим выбором оптимального количество ступеней мощности.
Настройка гистерезиса
Настройка гистерезиса
Ограничение min / max температуры нагрева. Настройка гистерезиса - точности поддержания температуры включения и выключения – экономит ресурсы контакторов.
Электронный переключатель фаз
Электронный переключатель фаз
Переключатель фаз обеспечивает бесперебойное питание цепей управления котла; защищает цепи от недопустимых колебаний напряжения в сети; в зависимости от наличия и качества напряжения на фазах автоматически производит выбор наиболее подходящей фазы и подает ее на цепь управления.
Реле протока
Реле протока
Реле протока отключает электрокотел при отсутствии циркуляции теплоносителя в системе, что позволяет исключить перегрев теплоносителя.
Датчик давления
Датчик давления
Датчик отключает прибор при превышении максимального давления в системе, что помогает исключить деформацию и выход из строя котла.
Встроенный погодозависимый контроллер
Встроенный погодозависимый контроллер
ШАУ котла имеет встроенный погодозависимый контроллер "Невский", Вы можете не беспокоиться о колебаниях уличной температуры. Контроллер отследит температурные изменения на улице и в соответствии с этим подаст нужную команду котлу. Суммарная экономия электроэнергии в течение отопительного сезона при применении контроллера составляет 25-35%
Технические характеристики
ХАРАКТЕРИСТИКИ ПОКАЗАТЕЛИ ЕДИНИЦЫ ИЗМЕРЕНИЯ
Артикул КЭН-П-40-900
Номинальная мощность, ±5% 900 кВт
Номинальное напряжение питания ±10% 400 В
Максимальное давление 0,6 [6] МПа [Bar]
Высота бака котла 1510 мм
Ширина бака котла 870 мм
Глубина бака котла 930 мм
Высота ШАУ 2290 мм
Ширина ШАУ 1440 мм
Глубина ШАУ 335 мм
Количество нагревательных групп 12 групп
Максимальная мощность одной группы 100 кВт
Диапазон регулирования температуры теплоносителя 5 - 90 ºC
Номинальный ток автоматического выключателя, при напряжении питания 400 В 2000 А
Требуемая площадь поперечного сечения медного провода подводящего кабеля, при напряжении питания 400 В Шина 100х10 мм²
Рекомендуемая отапливаемая площадь при высоте потолков не более 2,7м; t нар. -25°С 9000 м²
Объем бака 500 л
Масса 715 кг
Объем в упаковке. Котел + ШАУ 4,5 м³
Устройство
Устройство-КЭН-П
Габариты
Промышленный электрокотел 900 кВт
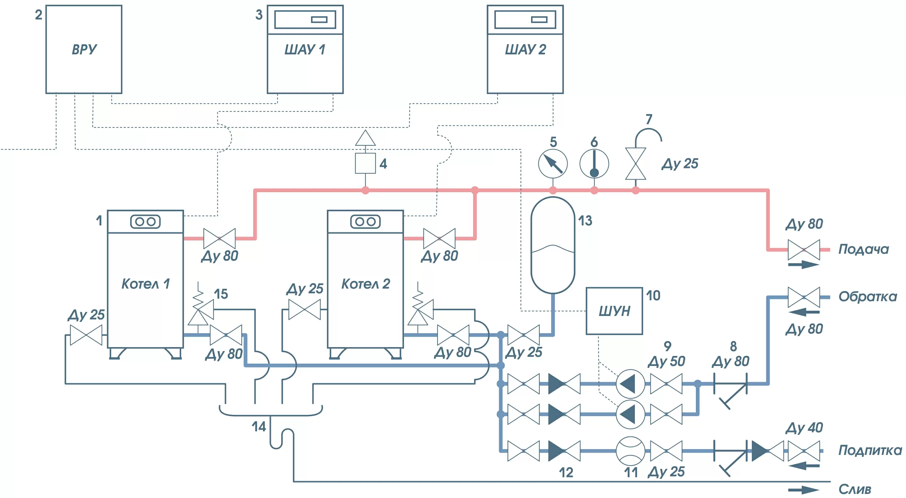
Варианты обвязки электрокотла
Электрокотел "Промышленный" с радиаторами или конвекторами Электрокотел "Промышленный" с радиаторами или конвекторами Электрокотел с теплым водяным полом Электрокотел с теплым водяным полом  Электрокотел с воздушно-отопительными приборами с водяным контуром Электрокотел с воздушно-отопительными приборами с водяным контуром Электрокотел с газовым или дизельным котлом Электрокотел с газовым или дизельным котлом Электрокотел с твердотопливным котлом Электрокотел с твердотопливным котлом Электрокотел с водонагревателем накопительного типа с внешним пластинчатым теплообменником. Электрокотел с водонагревателем накопительного типа с внешним пластинчатым теплообменником.  Электрокотел с водонагревателем накопительного типа с внутренним трубчатым теплообменником. Электрокотел с водонагревателем накопительного типа с внутренним трубчатым теплообменником.  Электрокотел с аккумуляционной накопительной ёмкостью Электрокотел с аккумуляционной накопительной ёмкостью  Электрокотел параллельно с централизованной системой теплоснабжения Электрокотел параллельно с централизованной системой теплоснабжения  Электрокотел с централизованной системой теплоснабжения с закрытым контуром Электрокотел с централизованной системой теплоснабжения с закрытым контуром
Документы
Вид Наименование продукции Листовка Каталог продукции Паспорт продукции Схемы 2D Схемы 3D Сертификаты качества Схемы обвязки Фотографии
Электрокотлы "Невский" Промышленный 750-2000 кВт

Промышленные электрические котлы отопления «Невский» 950 кВт

Для обогрева производственных предприятий, жилых и общественных зданий необходимо надежное оборудование, которое может безотказно функционировать в течение долгого времени. Компания «Невский» является производителем промышленных электрокотлов мощностью 950 кВт, способных отапливать помещения площадью до 9 500 м2.

Наше оборудование отличается высокой надежностью, качеством, оно экологически чистое и безопасное.

Преимущества промышленных электрокотлов «Невский» 950 кВт

Промышленные электрокотлы на 950 кВт от компании «Невский» обладают гибкой системой управления:

  • Могут автоматически изменять уровень нагрева в зависимости от температуры окружающей среды — имеют 15 погодозависимых графиков;
  • Плавная регулировка за счет каскадного подключения ТЭНов;
  • Три режима контроля: по температуре теплоносителя на входе и на выходе, по уличной температуре;
  • Пропорционально-интегральное регулирование с автоматическим выбором мощности.

Система управления расположена отдельно в специальном шкафу, оснащенном эффективной вентиляцией, что позволяет защитить электронику от перегрева и тем самым продлить срок безотказной эксплуатации аппарата.

Доставка промышленных электрокотлов на 950 кВт осуществляется по всей территории России. Мы сотрудничаем с транспортными компаниями и бесплатно доставим груз до терминала в Санкт-Петербурге или по заранее оговоренному адресу.

Купить электрокотел «Невский»

Позвоните по номеру 8 (800) 775-03-78, чтобы по доступным ценам купить промышленные электроколы на 950 кВт. Сотрудники компании «Невский» оперативно свяжутся с вами и ответят на любые вопросы по оптовой и розничной продаже оборудования, по его подбору, а также сообщат актуальную стоимость электрокотлов.